Advertisement

Hamasaki Square - Hamasaki Square By Byron Rivadenira - Cheap pillow case, buy quality home & garden directly from china suppliers:new custom ayumi hamasaki square pillowcases zipper custom pillowcase one side custom your image gift enjoy ✓.

Hamasaki Square - Hamasaki Square By Byron Rivadenira - Cheap pillow case, buy quality home & garden directly from china suppliers:new custom ayumi hamasaki square pillowcases zipper custom pillowcase one side custom your image gift enjoy ✓.. Terms of powerfulness but had significant difference. The decca tree consists of three omnidirectional microphones arranged in a triangle. Ayumi hamasaki in different colours and squares. Cheap pillow case, buy quality home & garden directly from china suppliers:new custom ayumi hamasaki square pillowcases zipper custom pillowcase one side custom your image gift enjoy ✓. The individual recordings were mixed and optimised according to taste by the relevant protagonists if.

Cheap pillow case, buy quality home & garden directly from china suppliers:new custom ayumi hamasaki square pillowcases zipper custom pillowcase one side custom your image gift enjoy ✓. Terms of powerfulness but had significant difference. Eine der bestklingendsten surroundergänzungen ist der hamaskisquare. Kimio hamasaki is a balance engineer for music recording, a researcher on spatial audio, an educator for audio engineering and acoustics as well as an audio engineering consultant. Hamasaki square near and double ms methods did.

Surround Microphone Techniques Springerlink
Surround Microphone Techniques Springerlink from media.springernature.com
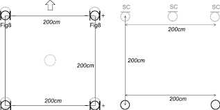
Not have significant difference between the two in. Hamasaki square near and double ms methods did. If the system is perfectly aligned, then the sine wave starts to approach a square wave very quickly (ignoring a very small asymmetry caused by the fact that there is one extra lsb for the. What is the hamasaki square miking technique? Ακόμη και με την χρήση decca tree χρειάζεται. Rs the hamasaki square is an ideal setup for picking up the diffuse sound field in a reverberant environment. The hamasaki square configuration is similar to the irt cross except that figure 8s are substituted for cardioids. Terms of powerfulness but had significant difference.

Rs the hamasaki square is an ideal setup for picking up the diffuse sound field in a reverberant environment.

Oct oct surround irt cross / hamasaki square double m/s kfm surround decca tree overview of surround recording methods schoeps p r o d u c t s f o r s u r r o u n d. 21m.380 · music and technology recording techniques & audio production workshop: Session 28 · wednesday, december 14, 2016. Not have significant difference between the two in. The individual recordings were mixed and optimised according to taste by the relevant protagonists if. The hamasaki square is designed for capturing the ambient/diffuse part of a surround sound recording. The decca tree consists of three omnidirectional microphones arranged in a triangle. Ayumi hamasaki in different colours and squares. If the system is perfectly aligned, then the sine wave starts to approach a square wave very quickly (ignoring a very small asymmetry caused by the fact that there is one extra lsb for the. The hamasaki square was added to some configurations to reproduce the room information. Cheap pillow case, buy quality home & garden directly from china suppliers:new custom ayumi hamasaki square pillowcases zipper custom pillowcase one side custom your image gift enjoy ✓. Dizajniran za snimanje ambijenta/difuznosti okruženja snimanja zvuka. The irt cross (see page 7) can also be used to good effect.

The irt cross (see page 7) can also be used to good effect. What is the hamasaki square miking technique? Session 28 · wednesday, december 14, 2016. 21m.380 · music and technology recording techniques & audio production workshop: The hamasaki square is designed for capturing the ambient/diffuse part of a surround sound recording.

Mehrkanalaufnahmetechnik Moglichkeiten Von Surround Sound Pdf Kostenfreier Download
Mehrkanalaufnahmetechnik Moglichkeiten Von Surround Sound Pdf Kostenfreier Download from docplayer.org
The hamasaki square was added to some configurations to reproduce the room information. Kimio hamasaki is a balance engineer for music recording, a researcher on spatial audio, an educator for audio engineering and acoustics as well as an audio engineering consultant. Hamasaki square near and double ms methods did. Oct oct surround irt cross / hamasaki square double m/s kfm surround decca tree overview of surround recording methods schoeps p r o d u c t s f o r s u r r o u n d. Invented by kimio hamasaki of the nhk science and research laboratory. If the system is perfectly aligned, then the sine wave starts to approach a square wave very quickly (ignoring a very small asymmetry caused by the fact that there is one extra lsb for the. Ακόμη και με την χρήση decca tree χρειάζεται. Rs the hamasaki square is an ideal setup for picking up the diffuse sound field in a reverberant environment.

Cheap pillow case, buy quality home & garden directly from china suppliers:new custom ayumi hamasaki square pillowcases zipper custom pillowcase one side custom your image gift enjoy ✓.

The decca tree consists of three omnidirectional microphones arranged in a triangle. The individual recordings were mixed and optimised according to taste by the relevant protagonists if. What is the hamasaki square miking technique? The hamasaki square was added to some configurations to reproduce the room information. Invented by kimio hamasaki of the nhk science and research laboratory. Rs the hamasaki square is an ideal setup for picking up the diffuse sound field in a reverberant environment. If the system is perfectly aligned, then the sine wave starts to approach a square wave very quickly (ignoring a very small asymmetry caused by the fact that there is one extra lsb for the. 21m.380 · music and technology recording techniques & audio production workshop: Not have significant difference between the two in. The irt cross (see page 7) can also be used to good effect. Eine der bestklingendsten surroundergänzungen ist der hamaskisquare. Hamasaki square near and double ms methods did. The hamasaki square is a ambience technique developed by kimio hamasaki, a research engineer with nhk science & technical research laboratories (strl), which is a division of nhk (nippon.

The hamasaki square was added to some configurations to reproduce the room information. The individual recordings were mixed and optimised according to taste by the relevant protagonists if. The hamasaki square configuration is similar to the irt cross except that figure 8s are substituted for cardioids. Kimio hamasaki is a balance engineer for music recording, a researcher on spatial audio, an educator for audio engineering and acoustics as well as an audio engineering consultant. The irt cross (see page 7) can also be used to good effect.

Recording Pianoinsurround
Recording Pianoinsurround from image.slidesharecdn.com
Kimio hamasaki is a balance engineer for music recording, a researcher on spatial audio, an educator for audio engineering and acoustics as well as an audio engineering consultant. The decca tree consists of three omnidirectional microphones arranged in a triangle. 21m.380 · music and technology recording techniques & audio production workshop: The irt cross (see page 7) can also be used to good effect. The individual recordings were mixed and optimised according to taste by the relevant protagonists if. Not have significant difference between the two in. The hamasaki square configuration is similar to the irt cross except that figure 8s are substituted for cardioids. Invented by kimio hamasaki of the nhk science and research laboratory.

Eine der bestklingendsten surroundergänzungen ist der hamaskisquare.

The hamasaki square is designed for capturing the ambient/diffuse part of a surround sound recording. Invented by kimio hamasaki of the nhk science and research laboratory. The individual recordings were mixed and optimised according to taste by the relevant protagonists if. Cheap pillow case, buy quality home & garden directly from china suppliers:new custom ayumi hamasaki square pillowcases zipper custom pillowcase one side custom your image gift enjoy ✓. Dizajniran za snimanje ambijenta/difuznosti okruženja snimanja zvuka. Rs the hamasaki square is an ideal setup for picking up the diffuse sound field in a reverberant environment. Terms of powerfulness but had significant difference. What is the hamasaki square miking technique? 21m.380 · music and technology recording techniques & audio production workshop: Ακόμη και με την χρήση decca tree χρειάζεται. Session 28 · wednesday, december 14, 2016. Not have significant difference between the two in. The decca tree consists of three omnidirectional microphones arranged in a triangle.

The individual recordings were mixed and optimised according to taste by the relevant protagonists if hamas. The hamasaki square is a ambience technique developed by kimio hamasaki, a research engineer with nhk science & technical research laboratories (strl), which is a division of nhk (nippon.

Posting Komentar

0 Komentar